1. Hem »
  2. Kullager & bussningar
  3. » Kolvöron
  4. » Kolvöra GK
  5. » Kolvöra GK60DO

Kolvöra GK60DO

Artikelnamn: Kolvöra GK60DO
Artnr: GK60DO
Lagerstatus: Normalt 2-4 dagars levaranstid.
Ej prissatt

Beskrivning

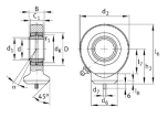
Kolvöra GK60DO

Dimensioner:
d: 60mm
D: 90mm
B: 44mm
C1: 38mm
d2: 135mm
h2: 100mm
l6: 167,5mm
d6: 70mm

Specifikationer

Artnr: GK60DO
Lagerstatus: Normalt 2-4 dagars levaranstid.
Dina senast besökta produkter
  • Rostfri plattkil enligt SMS2306 / DIN6885Tolerans h9 Måtten benämns bredd x ...
    I lager
    Art nr. PK8770RF
    76,25 :-
  • Kolvöra GK80DO Dimensioner:d: 80mmD: 120mmB: 55mmC1: 47mmd2: 180mmh2: 141mml...
    Normalt 2-4 dagars levaranstid.
    Art nr. GK80DO
    Ej prissatt
  • Kolvöra GK35DO Dimensioner:d: 35mmD: 55mmB: 25mmC1: 21mmd2: 82mmh2: 61mml6: ...
    I lager
    Art nr. GK35DO
    498,75 :-
  • Stödring för o-ring 26,2x3,0
    I lager
    Art nr. SR273213
    27,50 :-