1. Hem »
  2. Kullager & bussningar
  3. » Kolvöron
  4. » Kolvöra GK
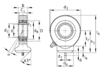
  5. » Kolvöra GK45DO

Kolvöra GK45DO

Artikelnamn: Kolvöra GK45DO
Artnr: GK45DO
Lagerstatus: I lager
760,00 :-

Beskrivning

Kolvöra GK45DO

Dimensioner:
d: 45mm
D: 68mm
B: 32mm
C1: 27mm
d2: 102mm
h2: 77mm
l6: 128mm
d6: 58mm

Specifikationer

Artnr: GK45DO
Lagerstatus: I lager
Kunder som köpt denna produkten har även köpt
  • Kolvöra GF45DO Dimensioner:d: 45mmD: 68mmB: 32mmC1: 40mmd2: 110mmh2: 77mml6:...
    I lager
    Art nr. GF45DO
    1 166,25 :-