1. Hem »
  2. Kullager & bussningar
  3. » Insatslager & Y-lager
  4. » YEL - GE
  5. » Insatslager YEL 211-2F 55x100x71,4

Insatslager YEL 211-2F 55x100x71,4

Artikelnamn: Insatslager YEL 211-2F 55x100x71,4
Artnr: INS55EL
Lagerstatus: I lager
1 253,75 :-

Beskrivning

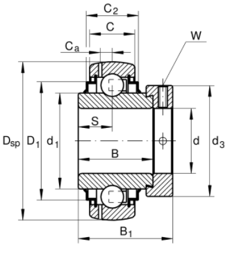
INSATSLAGER YEL211-2F  

Innerdiameter: 55mm
Ytterdiameter: 100mm
Bredd: 71,4mm

Alternativ benämning: GE55KRRB

d: 55 mm
DSP: 100 mm
B: 55,5 mm
B1: 71,4 mm
C: 25 mm

Specifikationer

Artnr: INS55EL
Lagerstatus: I lager
Dina senast besökta produkter
  • Shims 50x63x1,0 Måtten benämns innermått x yttermått x bredd DIN 988Härdat ...
    I lager
    Art nr. PS506310
    30,00 :-
  • Kilremskiva: SPZ 56Antal spår: 2stYtterdiameter: 60mm Passande klämbussning ...
    I lager
    Art nr. 2SPZ56
    536,25 :-
  • Kilremskiva: SPC 224Antal spår: 3stYtterdiameter: 233,5mm VTP REMSKIVA = ven...
    Normalt 2-4 dagars leveranstid
    Art nr. 3SPC224
    6 145,00 :-
  • V-ring VS-70 Material: Nitril Speed m/s: 10 Temp område: -40 +100Passar axel:...
    I lager
    Art nr. VS70
    55,00 :-