- Hem »
 - Kedja & Kedjehjul
 - » Kedjehjul
 - » Obearbetade med nav
 - » 06B / 3/8"
 - » Duplex 06B
 - » Kedjehjul 3/8 x 17 D
 
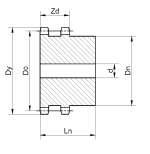
Beskrivning
Kedjehjul 3/8"
Z= 17 tänder
Duplex
Med Nav
Material: C45 / SIS 1650
––
 Mått:
Zd:15,4
do mm:51,83
dy mm:55,3
d mm:12
Dn mm:40
Ln mm:30
Vikt kg:0,34
Specifikationer
Dina senast besökta produkter
            
        
                
        
                        U-manschett, med symmetriska läppar. Fungerar både som kolv och stångtätning....
                    
                
                
            
            
                            I lager
                        
                    
                
                
                
                        
                            
                            Art nr. UNT698812
                            
                        
                    
                
                
                
                
                
            
            
                        
                            
                                200,00 :-
                            
                        
                    
                
            
            
            
            
            
            
            
                
                    
                        Klämbussning 1210 axelhål Ø20mmKlämbussningen har kilspår enl SS 2305
                    
                
                
            
            
                            I lager
                        
                    
                
                
                
                        
                            
                            Art nr. 121020
                            
                        
                    
                
                
                
                
                
            
            
                        
                            
                                213,75 :-
                            
                        
                    
                
            
            
            
            
            
            
            
                
                    
                        Kedjehjul 3/8"Z= 26 tänderSimplexMed NavMaterial: C45 / SIS 1650–– Mått:Zs mm...
                    
                
                
            
            
                            I lager
                        
                    
                
                
                
                        
                            
                            Art nr. 06B126
                            
                        
                    
                
                
                
                
                
            
            
                        
                            
                                177,50 :-
                            
                        
                    
                
            
            
            
            
            
            
            
                
                    
                        Kedjehjul 3/8"Z= 30 tänderTriplexMed NavMaterial: C45 / SIS 1650–– Mått:Zt:25...
                    
                
                
            
            
                            Normalt 2-4 dagars leveranstid
                        
                    
                
                
                
                        
                            
                            Art nr. 06B330
                            
                        
                    
                
                
                
                
                
            
            
                        
                            
                                467,50 :-