- Hem »
- Rullkedja & kedjehjul
- » Kedjehjul
- » Obearbetade med nav
- » 12B / 3/4"
- » Triplex 12B
- » Kedjehjul 3/4 x 26 T
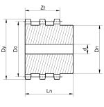
Beskrivning
Kedjehjul 3/4"
Z= 26 tänder
Triplex
Med Nav
Material: C45 / SIS 1650
––
Mått:
Zt mm:49,6
do mm:158,04
dy mm:165,9
d mm:20
Dn mm:120
Ln mm:70
Vikt kg:9,2

