- Hem »
- Rullkedja & kedjehjul
- » Kedjehjul
- » För klämbussning
- » 16B / 1"
- » Simplex 16BL
- » Kedjehjul 16B 1" x 26t SIMPLEX
Beskrivning
Kedjehjul 1"
Antal tänder: 26 st
SIMPLEX
Passande klämbussning 2517 (säljs separat): för millimeter axel - för tum axel
Passande Kedja: 16B1 SIMPLEX Brittisk Standard 1
Material: C45
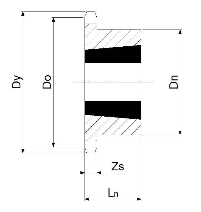
Mått:
Zs mm: 16,2
do mm: 210,72
dy mm: 221,6
Dn mm: 108
Ln mm: 45
Specifikationer
Dina senast besökta produkter
Kedjehjul 1"Antal tänder: 27 stSIMPLEXPassande klämbussning 2517 (säljs separ...
Normalt 2-4 dagars leveranstid
Art nr. 16BL127
1 765,00 :-
Kedjehjul 1"Antal tänder: 19 stSIMPLEXPassande klämbussning 2517 (säljs separ...
I lager
Art nr. 16BL119
987,50 :-

