1. Hem »
  2. Rullkedja & kedjehjul
  3. » Kedjehjul
  4. » Obearbetade med nav
  5. » 16B / 1"
  6. » Simplex 16B
  7. » Kedjehjul 1 x 15 S

Kedjehjul 1 x 15 S

Artikelnamn: Kedjehjul 1 x 15 S
Artnr: 16B115
Lagerstatus: I lager
572,50 :-

Beskrivning

Kedjehjul 1"
Z= 15 tänder
Simplex
Med Nav
Material: C45 / SIS 1650
––
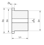
Mått:
Zs mm: 16,2
do mm:122,17
dy mm:133
d mm:16
Dn mm:92
Ln mm:40
Vikt kg:2,4

Specifikationer

Artnr: 16B115
Lagerstatus: I lager
Dina senast besökta produkter
  • Material: VävplastSpeed m/s: 1 Temp område: -40 till +130 °C För invändig oc...
    I lager
    Art nr. E14013515
    275,00 :-