- Hem »
- Rullkedja & kedjehjul
- » Kedjehjul
- » Obearbetade med nav
- » 20B / 1 1/4"
- » Simplex 20B
- » Kedjehjul 1 1/4 x 43 S
Beskrivning
Kedjehjul 1 1/4"
Z= 43 tänder
Simplex
Med Nav
Material: SIS 1650 / C45
––
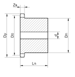
Mått:
Zs mm: 18,55
do mm:434,97
dy mm:450,1
d mm:30
Dn mm:150
Ln mm:70
Vikt kg:28
Specifikationer
Dina senast besökta produkter
Radialtätning med fjäder. Med dammtunga för att skydda mot smuts utifrån
Ma...
I lager
Art nr. RT396312AS
75,00 :-
Kedjehjul 1 1/4"Z= 28 tänderSimplexMed NavMaterial: SIS 1650 / C45–– Mått:Zs ...
Normalt 2-4 dagars leveranstid
Art nr. 20B128
2 723,75 :-
Material: PomSpeed m/s: 1Temp område: -40 till +110 °C
För utvändig tätning
I lager
Art nr. I4046127
75,00 :-
Stödring för o-ring 99,5x3,0
I lager
Art nr. SR99530
72,50 :-

